获取短信验证码
按照型号搜索
产品分类
按照尺寸搜索
精确查询
范围查询
( 85 )mm
( 90 )mm
( 95 )mm
( 100 )mm
( 105 )mm
( 110 )mm
( 120 )mm
( 130 )mm
( 140 )mm
( 150 )mm
( 160 )mm
( 190 )mm
( 340 )mm
( 150 )mm
( 160 )mm
( 170 )mm
( 180 )mm
( 190 )mm
( 200 )mm
( 210 )mm
( 215 )mm
( 225 )mm
( 230 )mm
( 240 )mm
( 250 )mm
( 260 )mm
( 270 )mm
( 280 )mm
( 290 )mm
( 300 )mm
( 310 )mm
( 320 )mm
( 340 )mm
( 460 )mm
( 28 )mm
( 30 )mm
( 32 )mm
( 34 )mm
( 36 )mm
( 38 )mm
( 40 )mm
( 41 )mm
( 42 )mm
( 43 )mm
( 45 )mm
( 46 )mm
( 47 )mm
( 48 )mm
( 50 )mm
( 52 )mm
( 53 )mm
( 54 )mm
( 55 )mm
( 58 )mm
( 60 )mm
( 62 )mm
( 64 )mm
( 65 )mm
( 67 )mm
( 68 )mm
( 72 )mm
( 73 )mm
( 75 )mm
( 80 )mm
( 86 )mm
( 93 )mm
( 102 )mm
( 108 )mm
( 114 )mm
| PDF 下载 |
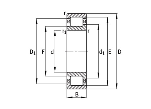
询价 | 型号 | 质量 m | 尺寸mm | 安装尺寸mm | 基本额定载荷N | 疲劳极限载荷Cur/N | 极限转速nG/min–1 | 参考转速nB/min–1 | |||||||||||||||||||
|---|---|---|---|---|---|---|---|---|---|---|---|---|---|---|---|---|---|---|---|---|---|---|---|---|---|---|---|---|
| 轴承 | L形斜挡圈 | L形斜挡圈 ≈kg |
d | D | B | r min |
r1 min |
s1) | E | F | D1 ≈ |
d1 ≈ |
B1 | B2 | B3 | da min2) |
da max |
dc min |
Da max2) |
ra max |
动载荷 Cr |
静载荷 Cor |
||||||